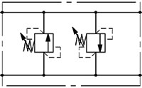
Dual cross-over relief valve A010302.13.00
Dual cross-over relief valve
Техническая документация
Загрузите наш каталог в pdf формате 646.7 KBДоставка
- во все регионы России транспортными компаниями "Деловые линии", "СДЭК" до адреса получателя или терминала
- самовывоз со склада по адресу: Санкт-Петербург, ул. Коммуны, дом 67, литер БМ
Оплата
- безналичный расчет
- банковская карта
- наличными курьеру
| Название | Описание товара | Цена (руб. с НДС) | В наличии (шт.) | Сделать заказ |
|---|---|---|---|---|
A010302.13.00 | Dual cross-over relief valve. Материал: Zinc plated steel. Поток жидкости: 30л/мин. Макс. давление: 400 Bar. Порты: G3/8" | 0 |




