ПРЕДОХРАНИТЕЛЬНЫЙ КЛАПАН СЕРИИ VMPP OLEODINAMICA MARCHESINI КУПИТЬ, УЗНАТЬ ЦЕНУ С ДОСТАВКОЙ ПО РОССИИ
ВНИМАНИЕ! ДАННЫЙ ТОВАР ПЕРЕМЕЩЕН В НОВЫЙ РАЗДЕЛ
ПРИМЕНЕНИЕ
Гидроклапаны предохранительные Marchesini VMPP предназначены для защиты гидравлических аппаратов от избыточного давления в гидросистеме. Область применения гидроклапанов предохранительных VMPP Marchesini: мобильная гидравлика, гидроприводы прессов, станков, литейных и литьевых машин и др. Купить предохранительный клапан Marchesini VMPP для гидравлики можно в нашем магазине, доставка по России, а также в Белоруссию и Казахстан. Вы можете купить предохранительные клапаны VMPP Marchesini со склада в Санкт-Петербурге, а также с доставкой по России, Казахстану и Белоруссии.
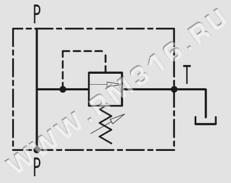
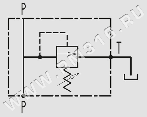
Предохранительный гидроклапан VMPP служит для защиты гидравлической системы от перегрузки. Когда давление в системе достигает давления настройки клапана, он открывается, позволяя сбросить избыточное давление в маслобак.
УСТАНОВКА
Подключить Р к линии нагнетания, а Т - в маслобак.
ОСОБЕННОСТИ
- корпус из оцинкованной стали
- внутренние компоненты из закаленной стали
ЕСЛИ В ТАБЛИЦЕ НИЖЕ ПОКАЗАНО, ЧТО ИНТЕРЕСУЮЩАЯ ВАС ПРОДУКЦИЯ В НАСТОЯЩИЙ МОМЕНТ ОТСУТСТВУЕТ НА СКЛАДЕ, ВЫ МОЖЕТЕ ОБРАТИТЬСЯ К СОТРУДНИКАМ МАГАЗИНА ГИДРАВЛИКИ RM316.RU ДЛЯ УТОЧНЕНИЯ СРОКОВ ПОСТАВКИ ТОВАРА.
Техническая документация
Загрузите наш каталог в pdf формате 178.8 KBДоставка
- во все регионы России транспортными компаниями "Деловые линии", "СДЭК" до адреса получателя или терминала
- самовывоз со склада по адресу: Санкт-Петербург, ул. Коммуны, дом 67, литер БМ
Оплата
- безналичный расчет
- банковская карта
- наличными курьеру




