СДВОЕННЫЕ ПРЕДОХРАНИТЕЛЬНЫЕ КЛАПАНЫ ДЛЯ ГИДРОМОТОРОВ DANFOSS OMS СЕРИИ VAU OMS OLEODINAMICA MARCHESINI КУПИТЬ, УЗНАТЬ ЦЕНУ С ДОСТАВКОЙ ПО РОССИИ
ВНИМАНИЕ! ДАННЫЙ ТОВАР ПЕРЕМЕЩЕН В НОВЫЙ РАЗДЕЛ
ПРИМЕНЕНИЕ ПРЕДОХРАНИТЕЛЬНОГО ГИДРОКЛАПАНА
Предохранительный гидроклапан VAU OMS служит для защиты гидравлической системы от перегрузки. Когда давление в системе достигает давления настройки клапана, он открывается, позволяя сбросить избыточное давление в маслобак.
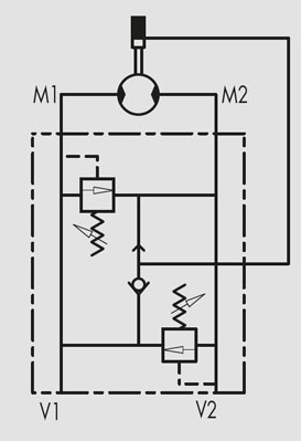
ГИДРАВЛИЧЕСКАЯ СХЕМА
ОСОБЕННОСТИ
- корпус из оцинкованной стали
- дифференциального типа (непрямого действия с пилотным управлением)
ЕСЛИ В ТАБЛИЦЕ НИЖЕ ПОКАЗАНО, ЧТО ИНТЕРЕСУЮЩАЯ ВАС ПРОДУКЦИЯ В НАСТОЯЩИЙ МОМЕНТ ОТСУТСТВУЕТ НА СКЛАДЕ, ВЫ МОЖЕТЕ ОБРАТИТЬСЯ К СОТРУДНИКАМ МАГАЗИНА ГИДРАВЛИКИ RM316.RU ДЛЯ УТОЧНЕНИЯ СРОКОВ ПОСТАВКИ ТОВАРА.
Техническая документация
Загрузите наш каталог в pdf формате 262.6 KBДоставка
- во все регионы России транспортными компаниями "Деловые линии", "СДЭК" до адреса получателя или терминала
- самовывоз со склада по адресу: Санкт-Петербург, ул. Коммуны, дом 67, литер БМ
Оплата
- безналичный расчет
- банковская карта
- наличными курьеру




