ПРЕДОХРАНИТЕЛЬНЫЙ КЛАПАН СЕРИИ VMP L OLEODINAMICA MARCHESINI КУПИТЬ, УЗНАТЬ ЦЕНУ С ДОСТАВКОЙ ПО РОССИИ
ПРИМЕНЕНИЕ
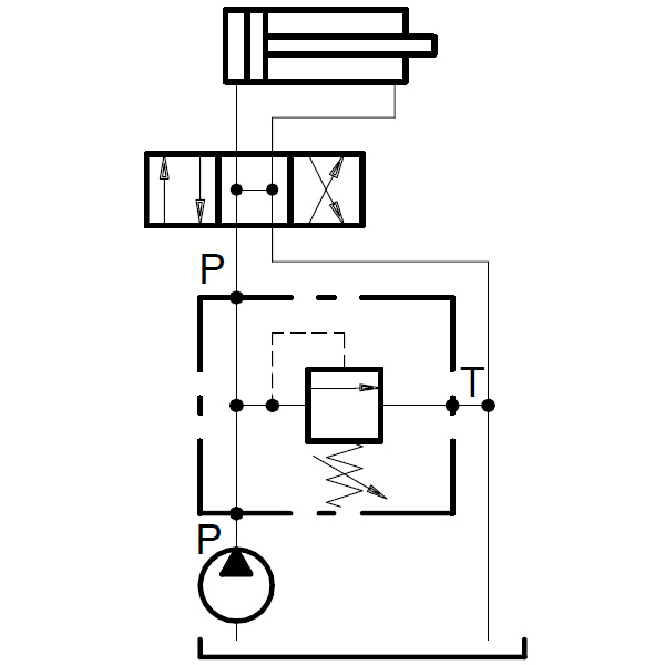
Предохранительный гидроклапан VMP L обеспечивает защиту гидравлической системы от перегрузки. Когда давление в гидросистеме достигает давления настройки клапана – он открывается, позволяя сбросить давление в маслобак. Сквозная напорная линия для подключения без тройника.
УСТАНОВКА
Присоедините порт P к линии нагнетания, Т – в маслобак. Порт Р является проходным.
ПРИНЦИП РАБОТЫ
Когда давление в Р становится выше, чем давление настройки пружины предохранительного клапана, поток проходит напрямую через клапан в маслобак. Настройка пружины осуществляется вручную: по часовой стрелке – увеличение давления настройки, против – уменьшение. Настройка фиксируется гайкой. Настройка осуществляется только в определенном диапазоне (смотрите каталог).
ОСОБЕННОСТИ
- корпус из оцинкованной стали
- внутренние компоненты из закаленной шлифованной стали
- уплотнение BUNA N стандарт
- тарельчатый запорный элемент


Техническая документация
Загрузите наш каталог в pdf формате 132.5 KBДоставка
- во все регионы России транспортными компаниями "Деловые линии", "СДЭК" до адреса получателя или терминала
- самовывоз со склада по адресу: Санкт-Петербург, ул. Коммуны, дом 67, литер БМ
Оплата
- безналичный расчет
- банковская карта
- наличными курьеру




