Купить ND03 СОЕДИНИТЕЛЬНАЯ МУФТА 11 ММ ДЛЯ ЭЛЕКТРОДВИГАТЕЛЯ 0,12-0,18 КВТ ТИПА АИР56 И ШЕСТЕРЕННОГО НАСОСА 1 ГРУППЫ (U1P): 1SP (GALTECH), 1P (MARZOCCHI) (ОМТ, ИТАЛИЯ)
Муфты используются для соединения валов электродвигателя и насоса и компенсируют небольшой перекос между валами при помощи эластичного элемента (паука). Также муфты могут поглощать шум вызванный движением валов.
ND03 Соединительная муфта в сборе состоит из полумуфты со стороны электродвигателя ND48A, полумуфты со стороны гидравлического насоса ND48PU1P (конический вал, конусность 1:8) и эластичного элемента-звездочки (спайдера) R-42.

Полумуфта со стороны гидравлического насоса ND48PU1P (под конический вал, конусность 1:8)

Эластичный элемент (спайдер/звездочка) R-42

ND03 Соединительная муфта в сборе состоит из полумуфты со стороны электродвигателя ND48A, полумуфты со стороны гидравлического насоса ND48PU1P (конический вал, конусность 1:8) и эластичного элемента-звездочки (спайдера) R-42.
ПРИМЕНЕНИЕ
| Насос | Конический вал под шпонку (конусность 1:8), первая группа (U1P) |
| Электродвигатель | Диаметр вала (D) 11 мм, мощность 0,12-0,18 КВт (АИР56) |
ГАБАРИТНЫЕ РАЗМЕРЫ
Полумуфта со стороны электродвигателя ND48A
| A | 48 мм |
| C | 30 мм |
| G | 19 мм |
| D | 11 мм |
| CH | 4 мм |
| T | 12,8 мм |
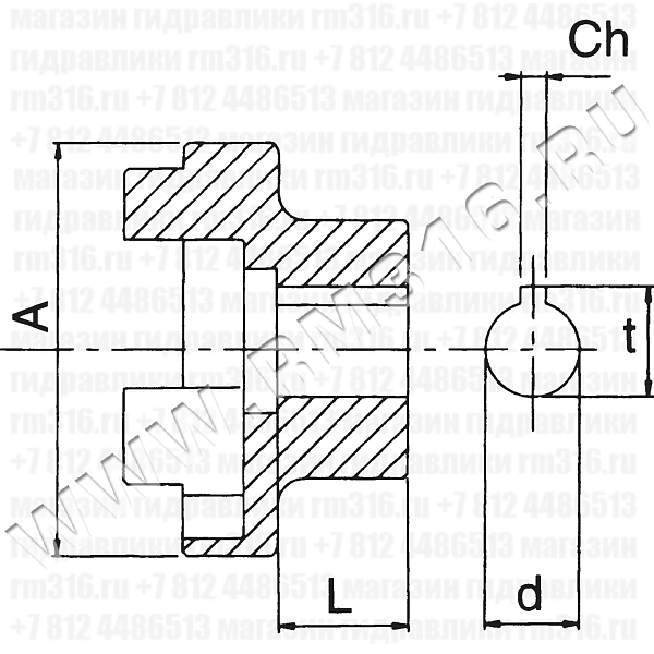
Полумуфта со стороны гидравлического насоса ND48PU1P (под конический вал, конусность 1:8)

| A | 48 мм |
| d | 9,7 мм |
| Ch | 2,4 мм |
| t | 10,5 мм |
| L | 15 мм |
Эластичный элемент (спайдер/звездочка) R-42

| I | 16 мм |
| Ø | 19 мм |
Техническая документация
Колокола и муфты для соединения электродвигателей и шестеренных насосов (рус.) 4.1 MBКолокола и муфты для соединения электродвигателей и шестеренных насосов (англ.) 1.1 MBДоставка
- во все регионы России транспортными компаниями "Деловые линии", "СДЭК" до адреса получателя или терминала
- самовывоз со склада по адресу: Санкт-Петербург, ул. Коммуны, дом 67, литер БМ
Оплата
- безналичный расчет
- банковская карта
- наличными курьеру
| Название | Описание товара | Цена (руб. с НДС) | В наличии (шт.) | Сделать заказ |
|---|---|---|---|---|
ND03 | ND03 Соединительная муфта для электродвигателя с диаметром вала 11 мм, состоит из ND48A, ND48PU1P, R-42, для насосов 1 группы (U1P): 1SP (Galtech), 1P (Marzocchi) | 3 004 руб | 0 |








