Купить tn91 фитинг прямой приварной с врезным кольцом din 2353
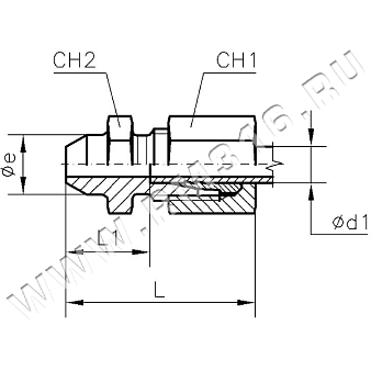
TN91 - врезное кольцо и гайка входят в комплект
TS91 - только корпус, врезное кольцо и гайка в комплект не входят
Итальянская фирма Rastelli Raccordi S.r.l. была удостоена Государственного Итальянского сертификата UNI EN 9001. Ее история начинается с 1952 года, когда она впервые начала производство и поставки соединений для нефтяной гидравлики. Высокий уровень производственных процессов обеспечивается использованием передовых технологий. Продукция изготавливается в соответствии с высочайшими стандартами, что позволяет Rastelli Raccordi S.r.l. оставаться лидером европейского и частично мирового рынков.
Штуцер прямой приварной по стандарту DIN 2353 предназначен для соединения приварных элементов с резьбовыми элементами гидравлической системы высокого давления.
Итальянская фирма Rastelli Raccordi S.r.l. была удостоена Государственного Итальянского сертификата UNI EN 9001. Ее история начинается с 1952 года, когда она впервые начала производство и поставки соединений для нефтяной гидравлики. Высокий уровень производственных процессов обеспечивается использованием передовых технологий. Продукция изготавливается в соответствии с высочайшими стандартами, что позволяет Rastelli Raccordi S.r.l. оставаться лидером европейского и частично мирового рынков.
Производитель
Техническая документация
Загрузите наш каталог в pdf формате 166.5 KBДоставка
- во все регионы России транспортными компаниями "Деловые линии", "СДЭК" до адреса получателя или терминала
- самовывоз со склада по адресу: Санкт-Петербург, ул. Коммуны, дом 67, литер БМ
Оплата
- безналичный расчет
- банковская карта
- наличными курьеру
| Название | Описание товара | Цена (руб. с НДС) | В наличии (шт.) | Сделать заказ |
|---|---|---|---|---|
TN91-10L | TN 91- 10L Штуцер прямой приварной (гидравлическое соединение с врезным кольцом) DIN 2353, под трубку 10 мм, резьба M16x1,5, 315 бар (Rastelli Raccordi, Италия) | 917 руб | 0 | |
TN91-10S | TN 91-10S Штуцер прямой приварной (гидравлическое соединение с врезным кольцом) DIN 2353, под трубку 10 мм, резьба M18x1,5, 630 бар (Rastelli Raccordi, Италия) | 1 180 руб | 0 | |
TN91-12L | TN 91- 12L Штуцер прямой приварной (гидравлическое соединение с врезным кольцом) DIN 2353, под трубку 12 мм, резьба M18x1,5, 315 бар (Rastelli Raccordi, Италия) | 559 руб | 0 | |
TN91-12S | TN 91-12S Штуцер прямой приварной (гидравлическое соединение с врезным кольцом) DIN 2353, под трубку 12 мм, резьба M20x1,5, 630 бар (Rastelli Raccordi, Италия) | 1 381 руб | 0 | |
TN91-14S | TN 91-14S Штуцер прямой приварной (гидравлическое соединение с врезным кольцом) DIN 2353, под трубку 14 мм, резьба M22x1,5, 630 бар (Rastelli Raccordi, Италия) | 2 182 руб | 0 | |
TN91-15L | TN 91- 15L Штуцер прямой приварной (гидравлическое соединение с врезным кольцом) DIN 2353, под трубку 15 мм, резьба M22x1,5, 315 бар (Rastelli Raccordi, Италия) | 1 296 руб | 0 | |
TN91-16S | TN 91-16S Штуцер прямой приварной (гидравлическое соединение с врезным кольцом) DIN 2353, под трубку 16 мм, резьба M24x1,5, 400 бар (Rastelli Raccordi, Италия) | 2 034 руб | 0 | |
TN91-18L | TN 91- 18L Штуцер прямой приварной (гидравлическое соединение с врезным кольцом) DIN 2353, под трубку 18 мм, резьба M26x1,5, 315 бар (Rastelli Raccordi, Италия) | 1 802 руб | 0 | |
TN91-20S | TN 91-20S Штуцер прямой приварной (гидравлическое соединение с врезным кольцом) DIN 2353, под трубку 20 мм, резьба M30x2, 400 бар (Rastelli Raccordi, Италия) | 2 941 руб | 0 | |
TN91-22L | TN 91- 22L Штуцер прямой приварной (гидравлическое соединение с врезным кольцом) DIN 2353, под трубку 22 мм, резьба M30x2, 160 бар (Rastelli Raccordi, Италия) | 2 624 руб | 0 | |
TN91-25S | TN 91-25S Штуцер прямой приварной (гидравлическое соединение с врезным кольцом) DIN 2353, под трубку 25 мм, резьба M36x2, 400 бар (Rastelli Raccordi, Италия) | 2 740 руб | 0 | |
TN91-28L | TN 91- 28L Штуцер прямой приварной (гидравлическое соединение с врезным кольцом) DIN 2353, под трубку 28 мм, резьба M36x2, 160 бар (Rastelli Raccordi, Италия) | 5 196 руб | 0 | |
TN91-30S | TN 91-30S Штуцер прямой приварной (гидравлическое соединение с врезным кольцом) DIN 2353, под трубку 30 мм, резьба M42x2, 400 бар (Rastelli Raccordi, Италия) | 7 589 руб | 0 | |
TN91-35L | TN 91- 35L Штуцер прямой приварной (гидравлическое соединение с врезным кольцом) DIN 2353, под трубку 35 мм, резьба M45x2, 160 бар (Rastelli Raccordi, Италия) | 6 756 руб | 0 | |
TN91-38S | TN 91-38S Штуцер прямой приварной (гидравлическое соединение с врезным кольцом) DIN 2353, под трубку 38 мм, резьба M52x2, 315 бар (Rastelli Raccordi, Италия) | 10 371 руб | 0 | |
TN91-42L | TN 91- 42L Штуцер прямой приварной (гидравлическое соединение с врезным кольцом) DIN 2353, под трубку 42 мм, резьба M52x2, 160 бар (Rastelli Raccordi, Италия) | 9 096 руб | 0 | |
TN91-6L | TN 91- 6L Штуцер прямой приварной (гидравлическое соединение с врезным кольцом) DIN 2353, под трубку 6 мм, резьба M12x1,5, 315 бар (Rastelli Raccordi, Италия) | 675 руб | 0 | |
TN91-6S | TN 91- 6S Штуцер прямой приварной (гидравлическое соединение с врезным кольцом) DIN 2353, под трубку 6 мм, резьба M14x1,5, 630 бар (Rastelli Raccordi, Италия) | 875 руб | 0 | |
TN91-8L | TN 91- 8L Штуцер прямой приварной (гидравлическое соединение с врезным кольцом) DIN 2353, под трубку 8 мм, резьба M14x1,5, 315 бар (Rastelli Raccordi, Италия) | 801 руб | 0 | |
TN91-8S | TN 91- 8S Штуцер прямой приварной (гидравлическое соединение с врезным кольцом) DIN 2353, под трубку 8 мм, резьба M16x1,5, 630 бар (Rastelli Raccordi, Италия) | 1 033 руб | 0 | |
TS91-10L | TS 91- 10L Штуцер (корпус без врезного кольца и накидной гайки) прямой приварной (гидравлическое соединение) DIN 2353, под трубку 10 мм, резьба M16x1,5, 315 бар (Rastelli Raccordi, Италия) | 348 руб | 0 | |
TS91-10S | TS 91-10S Штуцер (корпус без врезного кольца и накидной гайки) прямой приварной (гидравлическое соединение) DIN 2353, под трубку 10 мм, резьба M18x1,5, 630 бар (Rastelli Raccordi, Италия) | 833 руб | 0 | |
TS91-12L | TS 91- 12L Штуцер (корпус без врезного кольца и накидной гайки) прямой приварной (гидравлическое соединение) DIN 2353, под трубку 12 мм, резьба M18x1,5, 315 бар (Rastelli Raccordi, Италия) | 675 руб | 0 | |
TS91-12S | TS 91-12S Штуцер (корпус без врезного кольца и накидной гайки) прямой приварной (гидравлическое соединение) DIN 2353, под трубку 12 мм, резьба M20x1,5, 630 бар (Rastelli Raccordi, Италия) | 980 руб | 0 | |
TS91-14S | TS 91-14S Штуцер (корпус без врезного кольца и накидной гайки) прямой приварной (гидравлическое соединение) DIN 2353, под трубку 14 мм, резьба M22x1,5, 630 бар (Rastelli Raccordi, Италия) | 1 518 руб | 0 | |
TS91-15L | TS 91- 15L Штуцер (корпус без врезного кольца и накидной гайки) прямой приварной (гидравлическое соединение) DIN 2353, под трубку 15 мм, резьба M22x1,5, 315 бар (Rastelli Raccordi, Италия) | 833 руб | 0 | |
TS91-16S | TS 91-16S Штуцер (корпус без врезного кольца и накидной гайки) прямой приварной (гидравлическое соединение) DIN 2353, под трубку 16 мм, резьба M24x1,5, 400 бар (Rastelli Raccordi, Италия) | 1 212 руб | 0 | |
TS91-18L | TS 91- 18L Штуцер (корпус без врезного кольца и накидной гайки) прямой приварной (гидравлическое соединение) DIN 2353, под трубку 18 мм, резьба M26x1,5, 315 бар (Rastelli Raccordi, Италия) | 1 022 руб | 0 | |
TS91-20S | TS 91-20S Штуцер (корпус без врезного кольца и накидной гайки) прямой приварной (гидравлическое соединение) DIN 2353, под трубку 20 мм, резьба M30x2, 400 бар (Rastelli Raccordi, Италия) | 1 781 руб | 0 | |
TS91-22L | TS 91- 22L Штуцер (корпус без врезного кольца и накидной гайки) прямой приварной (гидравлическое соединение) DIN 2353, под трубку 22 мм, резьба M30x2, 160 бар (Rastelli Raccordi, Италия) | 875 руб | 0 | |
TS91-25S | TS 91-25S Штуцер (корпус без врезного кольца и накидной гайки) прямой приварной (гидравлическое соединение) DIN 2353, под трубку 25 мм, резьба M36x2, 400 бар (Rastelli Raccordi, Италия) | 2 983 руб | 0 | |
TS91-28L | TS 91- 28L Штуцер (корпус без врезного кольца и накидной гайки) прямой приварной (гидравлическое соединение) DIN 2353, под трубку 28 мм, резьба M36x2, 160 бар (Rastelli Raccordi, Италия) | 3 057 руб | 0 | |
TS91-30S | TS 91-30S Штуцер (корпус без врезного кольца и накидной гайки) прямой приварной (гидравлическое соединение) DIN 2353, под трубку 30 мм, резьба M42x2, 400 бар (Rastelli Raccordi, Италия) | 2 487 руб | 0 | |
TS91-35L | TS 91- 35L Штуцер (корпус без врезного кольца и накидной гайки) прямой приварной (гидравлическое соединение) DIN 2353, под трубку 35 мм, резьба M45x2, 160 бар (Rastelli Raccordi, Италия) | 4 406 руб | 0 | |
TS91-38S | TS 91-38S Штуцер (корпус без врезного кольца и накидной гайки) прямой приварной (гидравлическое соединение) DIN 2353, под трубку 38 мм, резьба M52x2, 315 бар (Rastelli Raccordi, Италия) | 6 819 руб | 0 | |
TS91-42L | TS 91- 42L Штуцер (корпус без врезного кольца и накидной гайки) прямой приварной (гидравлическое соединение) DIN 2353, под трубку 42 мм, резьба M52x2, 160 бар (Rastelli Raccordi, Италия) | 6 387 руб | 0 | |
TS91-6L | TS 91- 6L Штуцер (корпус без врезного кольца и накидной гайки) прямой приварной (гидравлическое соединение) DIN 2353, под трубку 6 мм, резьба M12x1,5, 315 бар (Rastelli Raccordi, Италия) | 432 руб | 0 | |
TS91-6S | TS 91- 6S Штуцер (корпус без врезного кольца и накидной гайки) прямой приварной (гидравлическое соединение) DIN 2353, под трубку 6 мм, резьба M14x1,5, 630 бар (Rastelli Raccordi, Италия) | 622 руб | 0 | |
TS91-8L | TS 91- 8L Штуцер (корпус без врезного кольца и накидной гайки) прямой приварной (гидравлическое соединение) DIN 2353, под трубку 8 мм, резьба M14x1,5, 315 бар (Rastelli Raccordi, Италия) | 538 руб | 0 | |
TS91-8S | TS 91- 8S Штуцер (корпус без врезного кольца и накидной гайки) прямой приварной (гидравлическое соединение) DIN 2353, под трубку 8 мм, резьба M16x1,5, 630 бар (Rastelli Raccordi, Италия) | 759 руб | 0 |



