МАСЛОСТАНЦИЯ (ГИДРОСТАНЦИЯ/ГИДРАВЛИЧЕСКАЯ НАСОСНАЯ СТАНЦИЯ) НСЭ.125.3.10, ПОДАЧА 3 Л/МИН
Основные технические характеристики маслостанции:
| Рабочий объем насоса |
2,1 см3 |
|
Номинальное давление |
125 бар |
|
Номинальная подача |
3 л/мин |
|
Объём маслобака |
10 литров |
|
Мощность электродвигателя |
0.75 кВт, 1500 об./мин |
|
Электропитание |
Трёхфазный ток, 380 В, 50 Гц |
| Габаритные размеры |
440х410х490 мм |
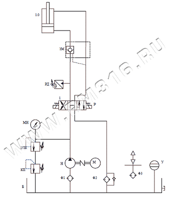
Гидравлическая схема:
Обозначения на гидросхеме:
|
Н |
Насос шестеренный |
125 бар |
|
М |
Электродвигатель |
380 В, 50 Гц, 0.75 кВт, 1500 об./мин |
|
КП |
Регулируемый предохранительный клапан |
20...250 бар |
|
МН |
Манометр виброустойчивый |
0...250 бар |
|
Ф1 |
Фильтр всасывающий |
90 микрон |
|
Ф2 |
Возвратный (сливной) фильтр |
25 микрон |
|
Ф3 |
Заливная горловина с воздушным фильтром |
40 микрон |
|
Р |
Гидрораспределитель с электроуправлением, четырехлинейный трехпозиционный |
24 В, 125 бар |
|
Б |
Маслобак |
10 литров |
| РД | Реле давления |
|
| ДР | Дроссель | 0...20 л/мин |
| ЗМ | Одноклапанный гидрозамок | 0...20 л/мин |
|
У |
Уровень жидкости с термометром |
0...80 ºС |
| 1.0 | Гидроцилиндр | ГЦ 80х50х500 |
В нашем Магазине гидравлики можно купить маслостанцию (гидростанцию), оптимальную по соотношению "цена-качество". Кроме выпуска стандартных маслостанций (гидравлических насосных станций), мы также производим гидростанции по техническому заданию (ТЗ) заказчиков. СКАЧАТЬ ОПРОСНЫЙ ЛИСТ ДЛЯ РАСЧЕТА МАСЛОСТАНЦИИ МОЖНО ТУТ
Специалистами нашей компании изготавливаются гидравлические насосные станции с различными гидравлическими схемами по техническому заданию (ТЗ) заказчика или по конструкторской документации (КД) заказчика. В производстве гидростанций (маслостанций) могут использоваться агрегаты как отечественных, так и импортных производителей. В производственном процессе осуществляется 100% входной контроль используемых гидравлических агрегатов.
У нашего Магазина гидравлики есть опыт в производстве гидростанций, которые нашли широкое применение в различных отраслях: маслостанция для буровых станков, маслостанция для станка ЧПУ, маслостанция для гидравлического пресса, маслостанция для листогиба, маслостанция для технологической линии, маслостанция для дорожной техники, маслостанция для подъемного механизма, маслостанция для устройства перегруза, маслостанция для корабля, маслостанция для металлургического комплекса, маслостанция для деревообработки и т.д.
У нашего Магазина гидравлики есть опыт в производстве гидростанций, которые нашли широкое применение в различных отраслях: маслостанция для буровых станков, маслостанция для станка ЧПУ, маслостанция для гидравлического пресса, маслостанция для листогиба, маслостанция для технологической линии, маслостанция для дорожной техники, маслостанция для подъемного механизма, маслостанция для устройства перегруза, маслостанция для корабля, маслостанция для металлургического комплекса, маслостанция для деревообработки и т.д.
СТАНДАРТНЫЙ СРОК ИЗГОТОВЛЕНИЯ МАСЛОСТАНЦИИ СОСТАВЛЯЕТ 30 РАБОЧИХ ДНЕЙ. ОСУЩЕСТВЛЯЕМ ДОСТАВКУ МАСЛОСТАНЦИЙ ПО РОССИИ. ОБРАЩАЙТЕСЬ В НАШ МАГАЗИН ГИДРАВЛИКИ RM316.RU!
Доставка
- во все регионы России транспортными компаниями "Деловые линии", "СДЭК" до адреса получателя или терминала
- самовывоз со склада по адресу: Санкт-Петербург, ул. Коммуны, дом 67, литер БМ
Оплата
- безналичный расчет
- банковская карта
- наличными курьеру
| Название | Описание товара | Цена (руб. с НДС) | В наличии (шт.) | Сделать заказ |
|---|---|---|---|---|
НСЭ125-3-10-0,75 | Маслостанция гидравлическая (насосная станция) НСЭ125-3-10-0,75, номинальная подача 3 л/мин, максимальное рабочее давление 125 бар, мощность электродвигателя 0,75 кВт, 380 В | 601 918 руб | 0 |




