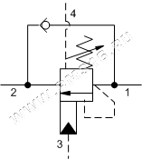
CWIK ТОРМОЗНОЙ ГИДРОКЛАПАН SUN HYDRAULICS
Техническая документация
Загрузите наш каталог в pdf формате 61.9 KBДоставка
- во все регионы России транспортными компаниями "Деловые линии", "СДЭК" до адреса получателя или терминала
- самовывоз со склада по адресу: Санкт-Петербург, ул. Коммуны, дом 67, литер БМ
Оплата
- безналичный расчет
- банковская карта
- наличными курьеру
| Название | Описание товара | Цена (руб. с НДС) | В наличии (шт.) | Сделать заказ |
|---|---|---|---|---|
CWIK-LHN, стандартная настройка | CWIK-LHN Клапан гидравлический, стандартная настройка | 50 893 руб | 0 |




