AFR100 СЛИВНОЙ (ВОЗВРАТНЫЙ) ФИЛЬТР, ПРОПУСКНАЯ СПОСОБНОСТЬ ДО 110 Л/МИН (OMT, ИТАЛИЯ)
ОПИСАНИЕ
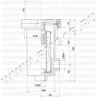
Фильтры серии AFR предназначены для очистки рабочей жидкости в промышленных насосных станциях (маслостанциях) и автономных системах мобильной строительной и сельхозтехники. Возвратные фильтры AFR устанавливаются на поверхность гидробака в сливную магистраль системы, оснащены присоединительными портами от 1/2" BSP до 1 1/4" BSP в зависимости от типоразмера.ТЕХНИЧЕСКИЕ ХАРАКТЕРИСТИКИ
|
Материал корпуса и крышки |
Алюминиевый сплав |
|
Макс. рабочее давление |
15 бар |
|
Испытательное давление |
24 бар |
|
Разрывное давление |
45 бар |
|
Давление открытия байпасного клапана |
1,7 бар |
|
Рабочая температура |
-25 ... +95°C |
|
Совместимость с рабочими жидкостями по ISO 2943 |
Минеральные масла типов HH,HM,HR,HV,HG по ISO 6743/4 |
Сливные фильтры серии AFR имеют четыре типоразмера с номинальным расходом до 200 л/мин. Фильтроэлементы фильтров серии AFR изготавливаются из высококачественных материалов для обеспечения надежной и длительной фильтрации гидравлической жидкости.
ТИПОРАЗМЕР AFR100
| Артикул | Резьба портов | Пропускная способность | Тонкость фильтрации | Фильтроэлемент |
| AFR100C10NR | 1" BSP | 85 л/мин | 10 мкм (картон с пропиткой) | CR112C10R |
| AFR100C25NR | 1" BSP | 110 л/мин | 25 мкм (картон с пропиткой) | CR112C25R |
| AFR100F03NR | 1" BSP |
36 л/мин |
3 мкм (химволокно) | CR112F03R |
| AFR100F06NR | 1" BSP |
40 л/мин |
6 мкм (химволокно) |
CR112F06R |
| AFR100F10NR | 1" BSP | 56 л/мин |
10 мкм (химволокно) |
CR112F10R |
| AFR100F25NR | 1" BSP |
73 л/мин |
25 мкм (нержавеющая сетка) | CR112F25R |
| AFR100R60NR | 1" BSP |
110 л/мин |
60 мкм (нержавеющая сетка) | CR112R60R |
| AFR100R90NR | 1" BSP |
110 л/мин |
90 мкм (нержавеющая сетка) | CR112R90R |


Техническая документация
Сливные (возвратные) фильтры серии AFR (англ. ) 4 MBДоставка
- во все регионы России транспортными компаниями "Деловые линии", "СДЭК" до адреса получателя или терминала
- самовывоз со склада по адресу: Санкт-Петербург, ул. Коммуны, дом 67, литер БМ
Оплата
- безналичный расчет
- банковская карта
- наличными курьеру
| Название | Описание товара | Цена (руб. с НДС) | В наличии (шт.) | Сделать заказ |
|---|---|---|---|---|
AFR100F10NR | AFR100F10NR Сливной (возвратный) гидравлический фильтр с переливным клапаном (байпасом на 1,7 бар), тонкость фильтрации 10 мкм, 56 л/мин, 1" BSP (OMT, Италия) | 16 442 руб | 29 |





