ОПИСАНИЕ
PD10-30 - это ввертной направляющий гидравлический клапан (гидроклапан) картриджного типа, с плотным управлением, золотниковый, нормально открытый.
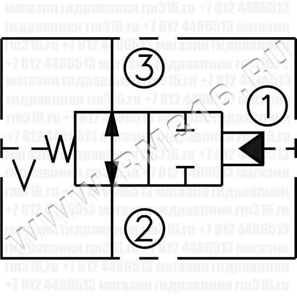
ПРИНЦИП РАБОТЫ
В нейтральном положении клапан пропускает поток из порта (3) в порт (2) в двунаправленном направлении. Пружинная камера вентилируется в атмосферу "v", которая имеет внутреннее кольцевое уплотнение от проточных каналов картриджа. По сигналу дистанционного пилота на порт 1 золотник клапана перемещается, перекрывая поток из порта (3) в порт (2). Благодаря вентилируемой пружинной камере картридж может находиться под полным давлением на любом порту, не влияя на требуемое давление пилота.
ТЕХНИЧЕСКИЕ ХАРАКТЕРИСТИКИ
|
Номинальный расход
|
38 л/мин
|
|
Макс. рабочее давление
|
240 бар
|