Купить 07p40-1a1a1a1a1а1a1a1 gkz1 / 07p40-1a8a8a8a8а8a8a8 gkz1 моноблочный гидрораспределитель с ручным управлением, 40 л/мин, 7 золотников (badestnost, болгария)
ХАРАКТЕРИСТИКИ
| Макс. рабочее давление: |
250 бар (P - вход) 300 бар (A, B - рабочие порты) |
| Пропускная способность: | 40 л/мин |
| Кол-во золотников: | 7 шт. |
| Тип гидрораспределителя: | С дискретным управлением |
| Тип управления: | Ручное |
| Тип золотников (обозначение производителя): | Тип A |
|
Позиционирование золотников (обозначение производителя): |
Тип 1 (пружинный возврат без фиксации) Тип 8 (с фиксацией) |
| Диапазон регулировки главного предохранительного клапана: | 5-250 бар |
| Резьба рабочих портов: |
1/2" BSP (P, T) 3/8" BSP (A, B) |
| Корпус гидрораспределителя: | Моноблочный |
| Производитель: | Badestnost (Болгария) |
ГИДРАВЛИЧЕСКАЯ СХЕМА
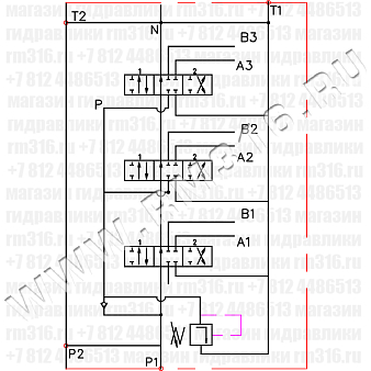
Функциональная гидравлическая схема гидрораспределителя с семью золотниками типа А:
Гидравлическая схема гидрораспределителя с тремя золотниками типа А:

ТИП ЗОЛОТНИКОВ
Стандартный золотник (обозначение А):
ПОЗИЦИОНИРОВАНИЕ ЗОЛОТНИКОВ
Пружинный возврат без фиксации (обозначение 1):
С фиксацией (обозначение 8):

Гидрораспределитель 07P40-1A1A1A1A1А1A1A1 GKZ1 / 07P40-1A8A8A8A8А8A8A8 GKZ1 (Badestnost, Болгария) моноблочный с открытым центром служит для управления семью рабочими органами. В нейтральном положении рукоятки рабочая жидкость поступает в маслобак. У гидрораспределителя 07P40-1A1A1A1A1А1A1A1 GKZ1 / 07P40-1A8A8A8A8А8A8A8 GKZ1 имеется регулируемый главный предохранительный (ограничительный) клапан.
Гидрораспределители болгарской фирмы Badestnost обладают высокими эксплуатационными характеристиками, обеспечивающими широкий диапазон применения. Прочный чугунный корпус распределителей Badestnost подходит для работы под высоким давлением, а стандартный контур с параллельным соединением золотников обеспечивает возможность одновременной работы.
Техническая документация
Моноблочные гидрораспределители серии P40 (рус.) 1.5 MBМоноблочные гидрораспределители серии P40 (англ.) 2.6 MBДоставка
- во все регионы России транспортными компаниями "Деловые линии", "СДЭК" до адреса получателя или терминала
- самовывоз со склада по адресу: Санкт-Петербург, ул. Коммуны, дом 67, литер БМ
Оплата
- безналичный расчет
- банковская карта
- наличными курьеру
| Название | Описание товара | Цена (руб. с НДС) | В наличии (шт.) | Сделать заказ |
|---|---|---|---|---|
07P40-1A1A1A1А1A1A1A1 GKZ1 | 07P40-1A1A1A1А1A1A1A1 GKZ1 Гидрораспределитель моноблочный с ручным управлением, 7 золотников с пружинным возвратом в нейтральное положение, номинальный расход 40 л/мин, с регулируемым предохранительным клапаном 5-250 бар, в комплекте с рукоятками (Badestnost, Болгария) | 46 429 руб | 1 | |
07P40-1A1A1A1А1A1A1A1 GKZ1 (аналог) | 07P40-1A1A1A1А1A1A1A1 GKZ1 (аналог) Гидрораспределитель моноблочный с ручным управлением, 7 золотников с пружинным возвратом в нейтральное положение, номинальный расход 40 л/мин, с регулируемым предохранительным клапаном 5-250 бар, в комплекте с рукоятками (SJ-Technology, Китай) | 36 321 руб | 0 |






