Купить 04p40-1a1a1а1a1 gkz1 / 04p40-1a8a8а8a8 gkz1 моноблочный гидрораспределитель с ручным управлением, 40 л/мин, 4 золотника (sj-technology, китай)
ХАРАКТЕРИСТИКИ
| Макс. рабочее давление: |
250 бар (P - вход) 300 бар (A, B - рабочие порты) |
| Пропускная способность: | 40 л/мин |
| Кол-во золотников: | 4 шт. |
| Тип гидрораспределителя: | С дискретным управлением |
| Тип управления: | Ручное |
| Тип золотников (обозначение производителя): | Тип A |
|
Позиционирование золотников (обозначение производителя): |
Тип 1 (пружинный возврат без фиксации) Тип 8 (с фиксацией) |
| Диапазон регулировки главного предохранительного клапана: | 5-250 бар |
| Резьба рабочих портов: |
1/2" BSP (P, T) 3/8" BSP (A, B) |
| Корпус гидрораспределителя: | Моноблочный |
| Производитель: |
SJ-Technology (Китай) |
ГИДРАВЛИЧЕСКАЯ СХЕМА
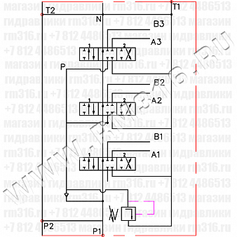
Функциональная гидравлическая схема гидрораспределителя с четырьмя золотниками типа А:
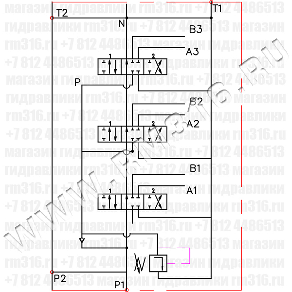
Гидравлическая схема гидрораспределителя с тремя золотниками типа А:

ТИП ЗОЛОТНИКОВ
Стандартный золотник (обозначение А):
ПОЗИЦИОНИРОВАНИЕ ЗОЛОТНИКОВ
Пружинный возврат без фиксации (обозначение 1):
С фиксацией (обозначение 8):

Гидрораспределитель 04P40-1A1A1А1A1 GKZ1 / 04P40-1A8A8А8A8 (SJ-Technology, Китай) моноблочный с открытым центром служит для управления четырьмя рабочими органами. В нейтральном положении рукоятки рабочая жидкость поступает в маслобак. У гидрораспределителя 04P40-1A1A1А1A1 GKZ1 / 04P40-1A8A8А8A8 имеется регулируемый главный предохранительный (ограничительный) клапан.
Гидрораспределители фирмы SJ-Technology (Китай) обладают высокими эксплуатационными характеристиками, обеспечивающими широкий диапазон применения. Прочный чугунный корпус распределителей SJ-Technology подходит для работы под высоким давлением, а стандартный контур с параллельным соединением золотников обеспечивает возможность одновременной работы.
Техническая документация
Моноблочные гидрораспределители серии P40 (рус.) 1.5 MBМоноблочные гидрораспределители серии P40 (англ.) 438.2 KBДоставка
- во все регионы России транспортными компаниями "Деловые линии", "СДЭК" до адреса получателя или терминала
- самовывоз со склада по адресу: Санкт-Петербург, ул. Коммуны, дом 67, литер БМ
Оплата
- безналичный расчет
- банковская карта
- наличными курьеру
| Название | Описание товара | Цена (руб. с НДС) | В наличии (шт.) | Сделать заказ |
|---|---|---|---|---|
04P40-1A1A1А1A1 GKZ1 (аналог) | 04P40-1A1A1А1A1 GKZ1 (аналог) Гидрораспределитель моноблочный с ручным управлением, 4 золотника с пружинным возвратом в нейтральное положение, номинальный расход 40 л/мин, с регулируемым предохранительным клапаном 5-250 бар, в комплекте с рукоятками (SJ-Technology, Китай) | 22 060 руб | 3 | |
04P40-1A8A8А8A8 GKZ1 (аналог) | 04P40-1A8A8А8A8 GKZ1 (аналог) Гидрораспределитель моноблочный с ручным управлением, 4 золотника с фиксацией, номинальный расход 40 л/мин, с регулируемым предохранительным клапаном 5-250 бар, в комплекте с рукоятками (SJ-Technology, Китай) | 22 060 руб | 2 |




