Купить 03p40-1k16a1a1 gkz1 моноблочный гидрораспределитель с ручным управлением, 40 л/мин, 3 золотника: 1 - с плавающим положением, 2 - стандартных (badestnost, болгария)
ХАРАКТЕРИСТИКИ
| Макс. рабочее давление: |
250 бар (P - вход) 300 бар (A, B - рабочие порты) |
| Пропускная способность: | 40 л/мин |
| Кол-во золотников: | 3 шт. |
| Тип гидрораспределителя: | С дискретным управлением |
| Тип управления: | Ручное |
| Тип золотников (обозначение производителя): |
Первый золотник - тип K Второй золотник - тип К Третий золотник - тип A |
|
Позиционирование золотников (обозначение производителя): |
Первый золотник - тип 16 (фиксация только в плавающем положении) Второй золотник - тип 1 (пружинный возврат без фиксации) Третий золотник - тип 1 (пружинный возврат без фиксации) |
| Диапазон регулировки главного предохранительного клапана: | 5-250 бар |
| Резьба рабочих портов: |
1/2" BSP (P, T) 3/8" BSP (A, B) |
| Корпус гидрораспределителя: | Моноблочный |
| Производитель: | Badestnost (Болгария) |
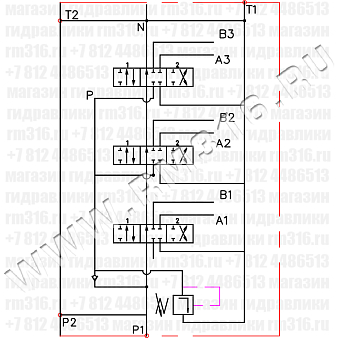
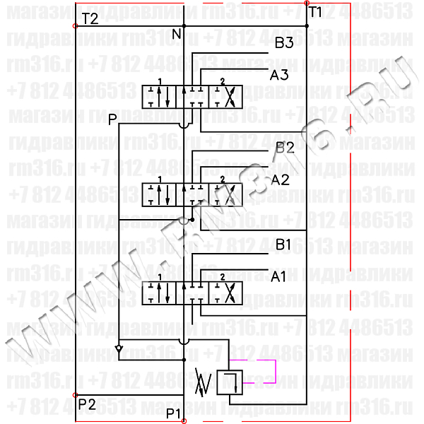
ГИДРАВЛИЧЕСКАЯ СХЕМА
Гидравлическая схема гидрораспределителя с тремя золотниками типа А:
ТИП ЗОЛОТНИКОВ
Золотник с плавающим положением (обозначение К):
Стандартный золотник (обозначение А):

ПОЗИЦИОНИРОВАНИЕ ЗОЛОТНИКОВ
Пружинный возврат (без фиксации) для золотника с плавающим положением (обозначение 16):
Пружинный возврат без фиксации (обозначение 1):

Гидрораспределитель 03P40-1K16A1A1 GKZ1 (Badestnost, Болгария) моноблочный с открытым центром служит для управления тремя рабочими органами. В нейтральном положении рукоятки рабочая жидкость поступает в маслобак. У гидрораспределителя 03P40-1K16A1A1 GKZ1 имеется регулируемый главный предохранительный (ограничительный) клапан.
Гидрораспределители болгарской фирмы Badestnost обладают высокими эксплуатационными характеристиками, обеспечивающими широкий диапазон применения. Прочный чугунный корпус распределителей Badestnost подходит для работы под высоким давлением, а стандартный контур с параллельным соединением золотников обеспечивает возможность одновременной работы.
Техническая документация
Моноблочные гидрораспределители серии P40 (рус.) 1.5 MBМоноблочные гидрораспределители серии P40 (англ.) 2.6 MBДоставка
- во все регионы России транспортными компаниями "Деловые линии", "СДЭК" до адреса получателя или терминала
- самовывоз со склада по адресу: Санкт-Петербург, ул. Коммуны, дом 67, литер БМ
Оплата
- безналичный расчет
- банковская карта
- наличными курьеру
| Название | Описание товара | Цена (руб. с НДС) | В наличии (шт.) | Сделать заказ |
|---|---|---|---|---|
03P40-1K16A1A1 GKZ1 | 03P40-1K16A1A1 GKZ1 Гидрораспределитель моноблочный с ручным управлением, 3 золотника с пружинным возвратом в нейтральное положение (1 золотник с плавающим положением), номинальный расход 40 л/мин, с регулируемым предохранительным клапаном 5-250 бар, в комплекте с рукоятками (Badestnost, Болгария)) | 47 282 руб | 0 |



