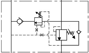
Overcenter valves with regenerative function flangeable. When pressure is reached regenerative function will stop. A078290.01.00
Overcenter valves with regenerative function flangeable. When pressure is reached regenerative function will stop.
Техническая документация
Загрузите наш каталог в pdf формате 267.9 KBДоставка
- во все регионы России транспортными компаниями "Деловые линии", "СДЭК" до адреса получателя или терминала
- самовывоз со склада по адресу: Санкт-Петербург, ул. Коммуны, дом 67, литер БМ
Оплата
- безналичный расчет
- банковская карта
- наличными курьеру
| Название | Описание товара | Цена (руб. с НДС) | В наличии (шт.) | Сделать заказ |
|---|---|---|---|---|
A078290.01.00 | Overcenter valves with regenerative function flangeable. When pressure is reached regenerative function will stop.. Материал: Zinc plated steel. Поток жидкости: 220л/мин. Макс. давление: 420 Bar. Порты: 3/4" SAE, 6000. Управление: 6:1, | 0 |




