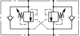
Dual overcenter valve 2 ports flangeable A070281.22.00
Dual overcenter valve 2 ports flangeable
Техническая документация
Загрузите наш каталог в pdf формате 178 KBДоставка
- во все регионы России транспортными компаниями "Деловые линии", "СДЭК" до адреса получателя или терминала
- самовывоз со склада по адресу: Санкт-Петербург, ул. Коммуны, дом 67, литер БМ
Оплата
- безналичный расчет
- банковская карта
- наличными курьеру
| Название | Описание товара | Цена (руб. с НДС) | В наличии (шт.) | Сделать заказ |
|---|---|---|---|---|
A070281.22.00 | Dual overcenter valve 2 ports flangeable. Материал: Zinc plated steel. Поток жидкости: 30л/мин. Макс. давление: 500 Bar, . Порты: G1/4". Управление: 4.1:1 | 0 |




