DE-S2F ДВУХЛИНЕЙНЫЙ ГИДРАВЛИЧЕСКИЙ КЛАПАН (ГИДРОКЛАПАН), НОРМАЛЬНО ЗАКРЫТЫЙ, 38 Л/МИН, 7/8-14 UNF-2A (SAE 10), DELTA 2W (TECNORD, ИТАЛИЯ / DELTA POWER, США)
ОПИСАНИЕ
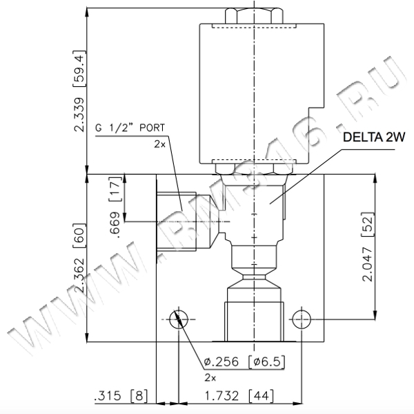
Двухлинейный двухпозиционный гидравлический клапан (гидроклапан) DE-S2F картриджного (ввертного) исполнения, нормально закрытый, тарельчатого типа с пилотным управлением.
ПРИНЦИП РАБОТЫ
При снятом напряжении DE-S2F блокирует поток из (1) в (2) и пропускает его в обратном направлении из (2) в (1). При подаче напряжения на электромагнитную катушку гидроклапан пропускает поток из (1) в (2), а также пропускает ограниченный поток из (2) в (1).
ТЕХНИЧЕСКИЕ ХАРАКТЕРИСТИКИ
| Номинальный расход | 38 л/мин |
| Макс. рабочее давление | 69 бар |
| Рабочая температура | -40 ...+120 °C |
| Резьба | 7/8-14 UNF-2A |
| Посадочное гнездо | DELTA 2W (SAE 10) |
ЕСЛИ В ТАБЛИЦЕ НИЖЕ ПОКАЗАНО, ЧТО ИНТЕРЕСУЮЩАЯ ВАС ПРОДУКЦИЯ В НАСТОЯЩИЙ МОМЕНТ ОТСУТСТВУЕТ НА СКЛАДЕ, ВЫ МОЖЕТЕ ОБРАТИТЬСЯ К СОТРУДНИКАМ МАГАЗИНА ГИДРАВЛИКИ RM316.RU ДЛЯ УТОЧНЕНИЯ СРОКОВ ПОСТАВКИ ТОВАРА.
Купить любую продукцию TECNORD (ИТАЛИЯ) / DELTA POWER (США) у официального дистрибьютора в России: гидравлические клапаны (гидроклапаны), гидрораспределители с пропорциональным управлением, микроконтроллеры ШИМ, джойстики и системы радиоуправления гидрораспределителями и др. Осуществляем доставку по России, а также в Белоруссию и Казахстан.
Техническая документация
ТЕХНИЧЕСКИЙ КАТАЛОГ: ГИДРАВЛИЧЕСКИЕ КЛАПАНЫ (ГИДРОКЛАПАНЫ) СЕРИИ DE-S2F 313.5 KBДоставка
- во все регионы России транспортными компаниями "Деловые линии", "СДЭК" до адреса получателя или терминала
- самовывоз со склада по адресу: Санкт-Петербург, ул. Коммуны, дом 67, литер БМ
Оплата
- безналичный расчет
- банковская карта
- наличными курьеру
| Название | Описание товара | Цена (руб. с НДС) | В наличии (шт.) | Сделать заказ |
|---|---|---|---|---|
DE-S2F-00 | DE-S2F-00 Двухлинейный гидравлический клапан (гидроклапан) картриджного (ввертного) исполнения, с электромагнитным управлением, нормально закрытый, тарельчатого типа с пилотным управлением, с мягким седлом, гнездо DELTA-2W (SAE 10), резьба 7/8-14 UNF-2A, 38 л/мин, 69 бар (Delta Power, США) | 19 678 руб | 0 | |
DE-S2F-0M | DE-S2F-0M Двухлинейный гидравлический клапан (гидроклапан) картриджного (ввертного) исполнения, с электромагнитным управлением, нормально закрытый, тарельчатого типа с пилотным управлением, с мягким седлом, гнездо DELTA-2W (SAE 10), резьба 7/8-14 UNF-2A, 38 л/мин, 69 бар, дублирующее ручное управление с фиксацией (Delta Power, США) | 33 844 руб | 0 | |
DE-S2F-A0 | DE-S2F-A0 Двухлинейный гидравлический клапан (гидроклапан) картриджного (ввертного) исполнения, с электромагнитным управлением, нормально закрытый, тарельчатого типа с пилотным управлением, с мягким седлом, гнездо DELTA-2W (SAE 10), резьба 7/8-14 UNF-2A, 38 л/мин, 69 бар, фильтрующая сетка (Delta Power, США) | 20 395 руб | 0 | |
DE-S2F-V0 | DE-S2F-V0 Двухлинейный гидравлический клапан (гидроклапан) картриджного (ввертного) исполнения, с электромагнитным управлением, нормально закрытый, тарельчатого типа с пилотным управлением, с мягким седлом, гнездо DELTA-2W (SAE 10), резьба 7/8-14 UNF-2A, 38 л/мин, 69 бар, уплотнения Viton (Delta Power, США) | 21 122 руб | 0 | |
DE-S2F-VM | DE-S2F-VM Двухлинейный гидравлический клапан (гидроклапан) картриджного (ввертного) исполнения, с электромагнитным управлением, нормально закрытый, тарельчатого типа с пилотным управлением, с мягким седлом, гнездо DELTA-2W (SAE 10), резьба 7/8-14 UNF-2A, 38 л/мин, 69 бар, уплотнения Viton, дублирующее ручное управление с фиксацией (Delta Power, США) | 35 035 руб | 0 | |
DE-S2F-W0 | DE-S2F-W0 Двухлинейный гидравлический клапан (гидроклапан) картриджного (ввертного) исполнения, с электромагнитным управлением, нормально закрытый, тарельчатого типа с пилотным управлением, с мягким седлом, гнездо DELTA-2W (SAE 10), резьба 7/8-14 UNF-2A, 38 л/мин, 69 бар, уплотнения Viton, фильтрующая сетка (Delta Power, США) | 21 839 руб | 0 |




