СДВОЕННЫЙ ПРЕДОХРАНИТЕЛЬНЫЙ РЕГУЛИРУЕМЫЙ КЛАПАН СЕРИИ VBDC (OLEOWEB, ИТАЛИЯ)

ПРИМЕНЕНИЕ
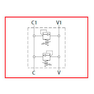
Гидроклапан VBDC cостоит из двух предохранительных клапанов с пересекающимися сливными линиями. Этот клапан используется для понижения давления до определенной настроенной величины в двух портах привода. Клапан идеально подходит для обеспечения защиты от внезапных скачков давления, а также для настройки перепада давления в двух портах гидропривода. Шесть портов (две входных линии и четыре выходные) позволяют использовать всего один клапан для двух гидродвигателей.
ЕСЛИ НЕТ НА СКЛАДЕ, ТО СТАНДАРТНЫЙ СРОК ПОСТАВКИ УКАЗАННОГО НИЖЕ ТОВАРА СОСТАВЛЯЕТ 8 - 10 НЕДЕЛЬ! ТАКЖЕ СМОЖЕМ ПРЕДЛОЖИТЬ АНАЛОГИ С ЛУЧШИМ СРОКОМ ПОСТАВКИ, ОБРАЩАЙТЕСЬ!
Клапаны сдвоенные предохранительные (блоки клапанов) устанавливают между напорной и сливной гидролиниями гидродвигателей. Они защищают гидродвигатели и распределители от повышенного давления и пиков давления, вызванных изменением внешней нагрузки или неожиданной остановкой приводимого рабочего органа или исполнительного механизма.
Техническая документация
Загрузите наш каталог в pdf формате 457.5 KBДоставка
- во все регионы России транспортными компаниями "Деловые линии", "СДЭК" до адреса получателя или терминала
- самовывоз со склада по адресу: Санкт-Петербург, ул. Коммуны, дом 67, литер БМ
Оплата
- безналичный расчет
- банковская карта
- наличными курьеру
| Название | Описание товара | Цена (руб. с НДС) | В наличии (шт.) | Сделать заказ |
|---|---|---|---|---|
VBDC1201 (OLEOWEB, Италия) | VBDC1201 (OLEOWEB, Италия) Сдвоенный предохранительный регулируемый гидроклапан - 1/2" - 40 л/мин, максимальная настройка пружины 100 бар | 10 319 руб | 0 | |
VBDC1202 (OLEOWEB, Италия) | VBDC1202 (OLEOWEB, Италия) Сдвоенный предохранительный регулируемый гидроклапан - 1/2" - 40 л/мин, максимальная настройка пружины 210 бар | 13 417 руб | 0 | |
VBDC1203 (OLEOWEB, Италия) | VBDC1203 (OLEOWEB, Италия) Сдвоенный предохранительный регулируемый гидроклапан - 1/2" - 40 л/мин, максимальная настройка пружины 350 бар | 13 417 руб | 0 | |
VBDC3801 (OLEOWEB, Италия) | VBDC3801 (OLEOWEB, Италия) Сдвоенный предохранительный регулируемый гидроклапан - 3/8", 40 л/мин, максимальная настройка пружины 100 бар | 13 417 руб | 0 | |
VBDC3802 (OLEOWEB, Италия) | VBDC3802 (OLEOWEB, Италия) Сдвоенный предохранительный регулируемый гидроклапан - 3/8", 40 л/мин, максимальная настройка пружины 210 бар | 13 417 руб | 0 | |
VBDC3803 (OLEOWEB, Италия) | VBDC3803 (OLEOWEB, Италия) Сдвоенный предохранительный регулируемый гидроклапан - 3/8", 40 л/мин, максимальная настройка пружины 350 бар | 13 417 руб | 0 |



