Купить JPR-213 ГИДРОЗАМОК ОДНОЛИНЕЙНЫЙ МОДУЛЬНЫЙ CETOP 7, ДУ=16 ММ, 200 Л/МИН (ATOS, ИТАЛИЯ)
ХАРАКТЕРИСТИКИ
|
Тип гидрозамка |
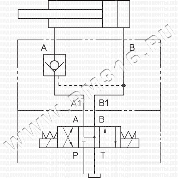
Однолинейный, действует на канал А |
| Макс. рабочее давление: | 350 бар |
| Пропускная способность: | 200 л/мин |
| Условный проход: | 16 |
| Стандарт: | CETOP 7 |
| Масса: | 4,4 кг |
| Производитель: | Atos (Италия) |
ПРИМЕНЕНИЕ

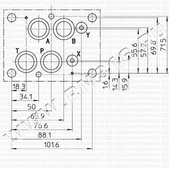
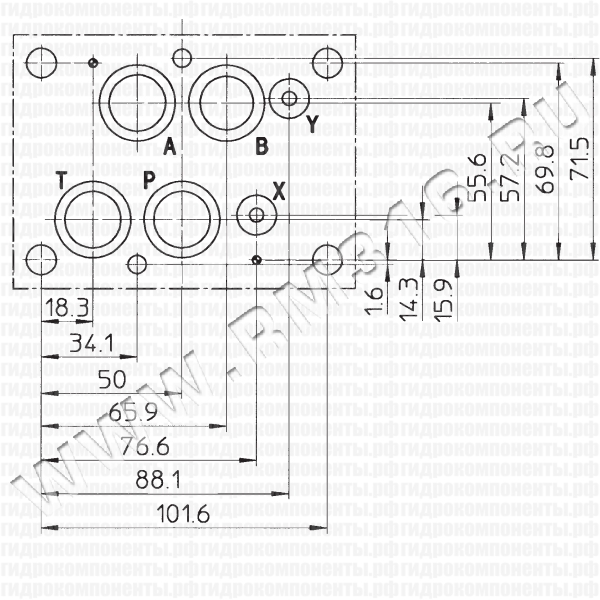
МОНТАЖНАЯ ПОВЕРХНОСТЬ

ПРИМЕР
JPR-213 Гидрозамок модульного типа, СЕТОР 7, однолинейный
Техническая документация
Гидрозамки модульные серии HR, KR, JPR (рус.) 1.4 MBГидрозамки модульные серии HR, KR, JPR (англ.) 644.2 KBДоставка
- во все регионы России транспортными компаниями "Деловые линии", "СДЭК" до адреса получателя или терминала
- самовывоз со склада по адресу: Санкт-Петербург, ул. Коммуны, дом 67, литер БМ
Оплата
- безналичный расчет
- банковская карта
- наличными курьеру
| Название | Описание товара | Цена (руб. с НДС) | В наличии (шт.) | Сделать заказ |
|---|---|---|---|---|
JPR-213 | JPR-213 (ATOS, Италия) Гидрозамок модульного типа, однолинейный (действует на канал А), Ду = 16 мм (СЕТОР 07), 200 л/мин | 123 413 руб | 0 |





