Купить KR-003 ОБРАТНЫЙ КЛАПАН ГИДРАВЛИЧЕСКИЙ ОДНОЛИНЕЙНЫЙ МОДУЛЬНЫЙ CETOP 5, ДУ=10 ММ, 120 Л/МИН (ATOS, ИТАЛИЯ)
Характеристики
|
Тип обратного клапана: |
Однолинейный, действует на канал А |
| Макс. рабочее давление: | 315 бар |
| Пропускная способность: | 120 л/мин |
| Условный проход: |
10 |
| Стандарт: |
CETOP 5 |
| Масса: | 2,3 кг |
| Производитель: | Atos (Италия) |
Применение

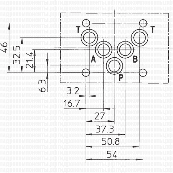
МОНТАЖНАЯ ПОВЕРХНОСТЬ

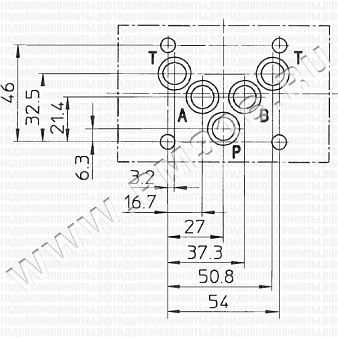
ПРИМЕР
KR-003 Обратный клапан гидравлический модульного типа, СЕТОР 5, однолинейный
Техническая документация
Обратные клапаны гидравлические модульные серии HR, KR (рус.) 1.4 MBОбратные клапаны гидравлические модульные серии HR, KR (англ.) 644.2 KBДоставка
- во все регионы России транспортными компаниями "Деловые линии", "СДЭК" до адреса получателя или терминала
- самовывоз со склада по адресу: Санкт-Петербург, ул. Коммуны, дом 67, литер БМ
Оплата
- безналичный расчет
- банковская карта
- наличными курьеру
| Название | Описание товара | Цена (руб. с НДС) | В наличии (шт.) | Сделать заказ |
|---|---|---|---|---|
KR-003 | KR-003 (ATOS, Италия) Обратный клапан модульного типа, однолинейный (действует на канал A), Ду = 10 мм (СЕТОР 05), 120 л/мин | 34 603 руб | 0 |





