Купить HR-011 ОБРАТНЫЙ КЛАПАН ГИДРАВЛИЧЕСКИЙ ОДНОЛИНЕЙНЫЙ МОДУЛЬНЫЙ CETOP 3, ДУ=6 ММ, 60 Л/МИН (ATOS, ИТАЛИЯ)
Характеристики
|
Тип обратного клапана |
Однолинейный, действует на канал P |
| Макс. рабочее давление: | 350 бар |
| Пропускная способность: | 60 л/мин |
| Условный проход: | 6 |
| Стандарт: | CETOP 3 |
| Масса: | 1 кг |
| Производитель: | Atos (Италия) |
Применение

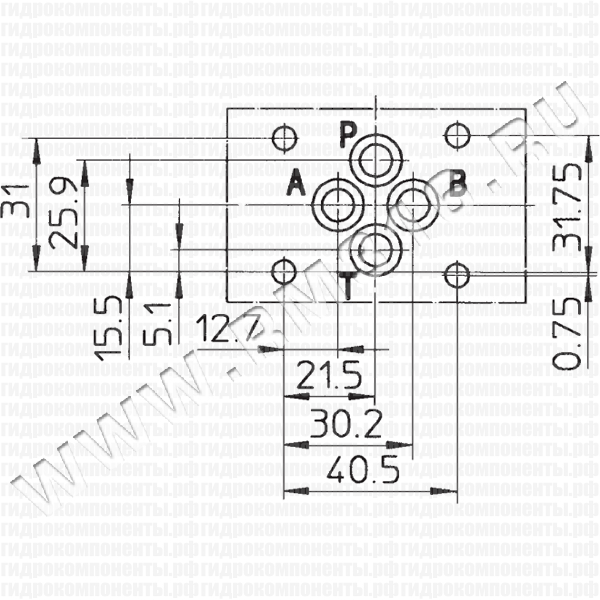
МОНТАЖНАЯ ПОВЕРХНОСТЬ

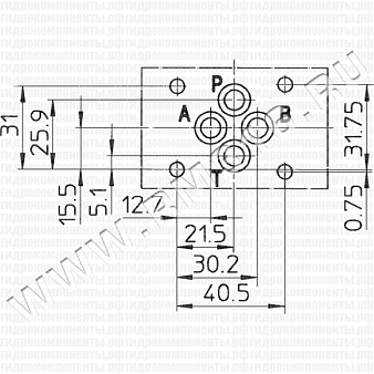
ПРИМЕР
HR-011 Обратный клапан гидравлический модульного типа, СЕТОР 3, однолинейный
Техническая документация
Обратные клапаны гидравлические модульные серии HR, KR (рус.) 1.4 MBОбратные клапаны гидравлические модульные серии HR, KR (англ.) 644.2 KBДоставка
- во все регионы России транспортными компаниями "Деловые линии", "СДЭК" до адреса получателя или терминала
- самовывоз со склада по адресу: Санкт-Петербург, ул. Коммуны, дом 67, литер БМ
Оплата
- безналичный расчет
- банковская карта
- наличными курьеру
| Название | Описание товара | Цена (руб. с НДС) | В наличии (шт.) | Сделать заказ |
|---|---|---|---|---|
HR-011 | HR-011 (ATOS, Италия) Обратный клапан модульного типа, однолинейный (действует на канал Р), Ду = 6 мм (СЕТОР 03), 60 л/мин | 14 113 руб | 0 | |
HR-011/4 | HR-011/4 (ATOS, Италия) Обратный клапан модульного типа, однолинейный (действует на канал Р), Ду = 6 мм (СЕТОР 03), 60 л/мин, давление открытия 4 бар | 15 789 руб | 0 |






