КУПИТЬ ДРОССЕЛЬ ГИДРАВЛИЧЕСКИЙ МОДУЛЬНЫЙ С ОБРАТНЫМ КЛАПАНОМ JPQ-213 (ATOS, ИТАЛИЯ) CETOP 7, ДУ=16 ММ, 200 Л/МИН
Характеристики
Применение
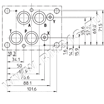
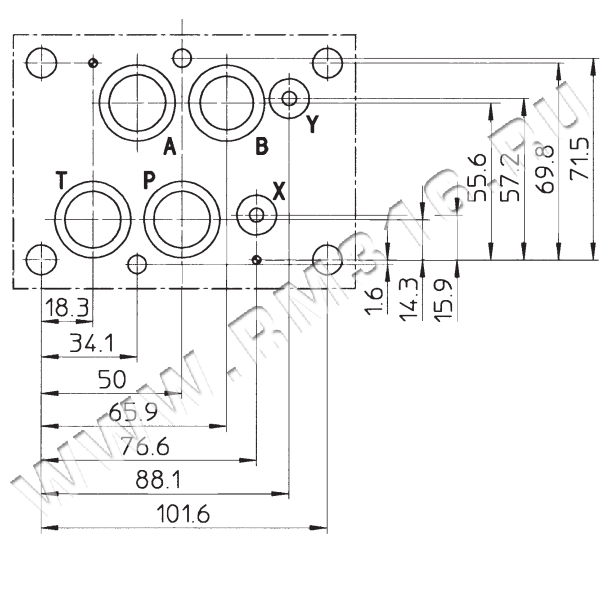
| Тип дросселя
| Однолинейный, действует на канал А
|
| Макс. рабочее давление: | 350 бар |
| Пропускная способность: | 200 л/мин |
| Условный проход: | 16 |
| Стандарт: | CETOP 7 |
| Масса: | 4,3 кг |
| Производитель: | Atos (Италия) |
Применение
ЕСЛИ В ТАБЛИЦЕ НИЖЕ ПОКАЗАНО, ЧТО ИНТЕРЕСУЮЩАЯ ВАС ПРОДУКЦИЯ В НАСТОЯЩИЙ МОМЕНТ ОТСУТСТВУЕТ НА СКЛАДЕ, ВЫ МОЖЕТЕ ОБРАТИТЬСЯ К СОТРУДНИКАМ МАГАЗИНА ГИДРАВЛИКИ RM316.RU ДЛЯ УТОЧНЕНИЯ СРОКОВ ПОСТАВКИ ТОВАРА.
Наш магазин гидравлики поддерживает на складе в Санкт-Петербурге и поставляет на заказ предохранительные (переливные) клапаны модульного монтажа производства итальянской компании ATOS. Полная линейка гидравлических дросселей ATOS серии JPQ (CETOP 7) включает следующие наименования: JPQ-212, JPQ-212/G, JPQ-213, JPQ-214, JPQ-222, JPQ-223/G, JPQ-312, JPQ-312/G, JPQ-313, JPQ-314. Дроссели гидравлические модульного монтажа ATOS соответствуют международным стандартам (ISO, DIN, SAE и т.д.) по размерам, нормам качества и условиям безопасности. Технические характеристики гидравлических клапанов ATOS и их габаритно-присоединительные размеры позволяют с успехом заменять им компоненты как импортных, так и отечественных гидравлических систем.
Техническая документация
ТЕХНИЧЕСКИЙ КАТАЛОГ: ГИДРАВЛИЧЕСКИЕ ДРОССЕЛИ МОДУЛЬНЫЕ CETOP7 СЕРИИ JPQ-213 1.7 MBТЕХНИЧЕСКИЙ КАТАЛОГ (АНГЛ. ЯЗ.): ГИДРАВЛИЧЕСКИЕ ДРОССЕЛИ МОДУЛЬНЫЕ CETOP7 СЕРИИ JPQ-213 666.5 KBДоставка
- во все регионы России транспортными компаниями "Деловые линии", "СДЭК" до адреса получателя или терминала
- самовывоз со склада по адресу: Санкт-Петербург, ул. Коммуны, дом 67, литер БМ
Оплата
- безналичный расчет
- банковская карта
- наличными курьеру
| Название | Описание товара | Цена (руб. с НДС) | В наличии (шт.) | Сделать заказ |
|---|---|---|---|---|
JPQ-213 | JPQ-213 (ATOS, Италия) Дроссель гидравлический с обратным клапаном модульного типа, однолинейный (действует на канал A), Ду = 16 мм (СЕТОP 07), 200 л/мин, регулировочный винт | 0 |




