Купить ПРЕДОХРАНИТЕЛЬНЫЙ КЛАПАН МОДУЛЬНЫЙ KM-013 (ATOS, ИТАЛИЯ) CETOP 5, ДУ=10 ММ, 120 Л/МИН
Характеристики
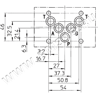
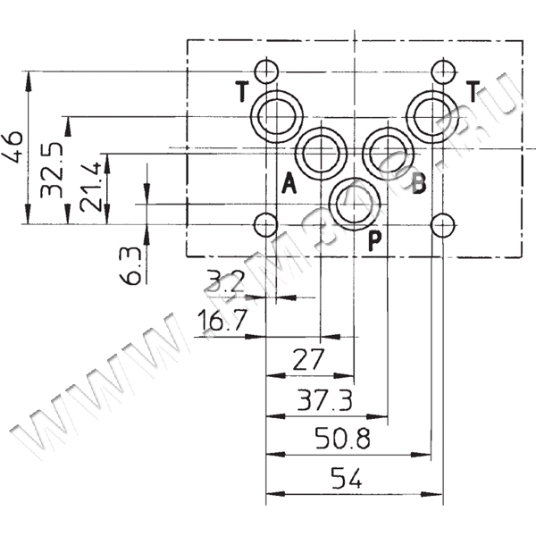
Применение
| Тип клапана | Однолинейный, задействован канал А, слив в канал Т |
| Макс. рабочее давление: | 350 бар |
| Пропускная способность: | 120 л/мин |
| Диапазон давлений: | 4-50 бар
5-100 бар 5-210 бар 5-350 бар |
| Условный проход: | 10
|
| Стандарт: | CETOP 5
|
| Масса: | 2,5 кг |
| Производитель: | Atos (Италия) |
Применение
ЕСЛИ В ТАБЛИЦЕ НИЖЕ ПОКАЗАНО, ЧТО ИНТЕРЕСУЮЩАЯ ВАС ПРОДУКЦИЯ В НАСТОЯЩИЙ МОМЕНТ ОТСУТСТВУЕТ НА СКЛАДЕ, ВЫ МОЖЕТЕ ОБРАТИТЬСЯ К СОТРУДНИКАМ МАГАЗИНА ГИДРАВЛИКИ RM316.RU ДЛЯ УТОЧНЕНИЯ СРОКОВ ПОСТАВКИ ТОВАРА.
Наш магазин гидравлики поддерживает на складе в Санкт-Петербурге и поставляет на заказ предохранительные (переливные) клапаны модульного монтажа производства итальянской компании ATOS KM. Полная линейка предохранительных гидроклапанов ATOS серии KM (CETOP 5) включает следующие наименования: KM-011/100, KM-011/100/V, KM-011/210, KM-011/210/V, KM-011/350, KM-011/350/V, KM-012/100, KM-012/100/350/V, KM-012/100/V, KM-012/210, KM-012/210/100, KM-012/210/V, KM-012/350, KM-012/350/100, KM-012/350/100/V, KM-012/350/210, KM-012/350/V, KM-013/100, KM-013/100/V, KM-013/210, KM-013/210/V, KM-013/350, KM-013/350/V, KM-014/100, KM-014/100/V, KM-014/210, KM-014/210/V, KM-014/350, KM-014/350/V, KM-015/100, KM-015/100/V, KM-015/210, KM-015/210/V, KM-015/350, KM-015/350/V. Предохранительные клапаны модульного монтажа ATOS CETOP 5 соответствуют международным стандартам (ISO, DIN, SAE и т.д.) по размерам, нормам качества и условиям безопасности. Технические характеристики гидравлических клапанов ATOS CETOP 5 и их габаритно-присоединительные размеры позволяют с успехом заменять им компоненты как импортных, так и отечественных гидравлических систем.
Техническая документация
ТЕХНИЧЕСКИЙ КАТАЛОГ: ПРЕДОХРАНИТЕЛЬНЫЕ КЛАПАНЫ МОДУЛЬНЫЕ CETOP 3 СЕРИИ KM-013 1.4 MBТЕХНИЧЕСКИЙ КАТАЛОГ (АНГЛ. ЯЗ.): ПРЕДОХРАНИТЕЛЬНЫЕ КЛАПАНЫ МОДУЛЬНЫЕ CETOP 3 СЕРИИ KM-013 548.7 KBДоставка
- во все регионы России транспортными компаниями "Деловые линии", "СДЭК" до адреса получателя или терминала
- самовывоз со склада по адресу: Санкт-Петербург, ул. Коммуны, дом 67, литер БМ
Оплата
- безналичный расчет
- банковская карта
- наличными курьеру
| Название | Описание товара | Цена (руб. с НДС) | В наличии (шт.) | Сделать заказ |
|---|---|---|---|---|
KM-013/100 | KM-013/100 (ATOS, Италия) Гидроклапан предохранительный модульного типа, Ду = 10 мм (СЕТОР 05), 120 л/мин, 5-100 бар, регулировка шестигранником | 44 679 руб | 0 | |
KM-013/100/V | KM-013/100/V (ATOS, Италия) Гидроклапан предохранительный модульного типа, Ду = 10 мм (СЕТОР 05), 120 л/мин, 5-100 бар, регулировка маховиком | 47 788 руб | 0 | |
KM-013/100/V/PE | KM-013/100/V/PE (ATOS, Италия) Гидроклапан предохранительный модульного типа, Ду = 10 мм (СЕТОР 05), 120 л/мин, 5-100 бар, регулировка маховиком, материал уплотнений FKM | 0 | ||
KM-013/210 | KM-013/210 (ATOS, Италия) Гидроклапан предохранительный модульного типа, Ду = 10 мм (СЕТОР 05), 120 л/мин, 5-210 бар, регулировка шестигранником | 44 679 руб | 0 | |
KM-013/210/V | KM-013/210/V (ATOS, Италия) Гидроклапан предохранительный модульного типа, Ду = 10 мм (СЕТОР 05), 120 л/мин, 5-210 бар, регулировка маховиком | 47 788 руб | 0 | |
KM-013/350 | KM-013/350 (ATOS, Италия) Гидроклапан предохранительный модульного типа, Ду = 10 мм (СЕТОР 05), 120 л/мин, 5-350 бар, регулировка шестигранником | 44 679 руб | 0 | |
KM-013/350/V | KM-013/350/V (ATOS, Италия) Гидроклапан предохранительный модульного типа, Ду = 10 мм (СЕТОР 05), 120 л/мин, 5-350 бар, регулировка маховиком | 47 788 руб | 0 | |
KM-013/50 | KM-013/50 (ATOS, Италия) Гидроклапан предохранительный модульного типа, Ду = 10 мм (СЕТОР 05), 120 л/мин, 4-50 бар, регулировка шестигранником | 44 679 руб | 0 | |
KM-013/50/V | KM-013/50/V (ATOS, Италия) Гидроклапан предохранительный модульного типа, Ду = 10 мм (СЕТОР 05), 120 л/мин, 4-50 бар, регулировка маховиком | 47 788 руб | 0 |





